人生就是博·(中国区)官方网站z6
CR Home 华润网群
繁體版
首页
全景先容
公司概况
企业文化
视频专区
联系人生就是博·(中国区)官方网站z6
新闻资讯
公司新闻
通知通告
媒体传真
公司大事记
专题专栏
投资者关系
公司治理
公司治理层
股票信息
暂时通告
按期报告
投资者服务
三九网群
华润老桐君
人生就是博·(中国区)官方网站z6(北京)
人生就是博·(中国区)官方网站z6(枣庄)
人生就是博·(中国区)官方网站z6(南昌)
人生就是博·(中国区)官方网站z6(黄石)
人生就是博·(中国区)官方网站z6(郴州)
华润顺峰
华润本溪三药
华润天和
三九金复康
九星印刷
大康健事业部
专业品牌事业部
国药事业部
立异营业事业部
处方药事业部
工业链专班
人生就是博·(中国区)官方网站z6医贸
中药立异中心
产品与服务
营业领域
产品展示
客户服务
不良反应
社会责任
责任理念
责任报告
责任运动
责任声誉
EHS专题
ESG专区
人力资源
人才招聘
人才选用
风范展示
信息果真
公司治理
生长效果
人事情换
认真人薪酬
阳光宣言
商业行为规范
联系人生就是博·(中国区)官方网站z6
网站地图
隐私条款
免责声明
澳诺(中国)
人生就是博·(中国区)官方网站z6简介
新闻动态
产品先容
资质声誉
营业联系
新闻动态
首页
>
澳诺(中国)
>
新闻动态
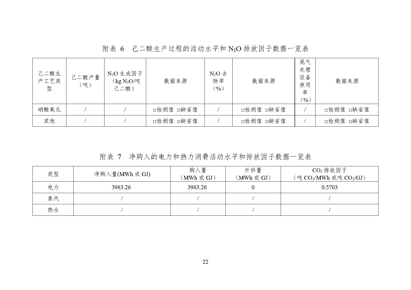
中国化工生产 企业温室气体排放报告
发稿时间: 2024-05-07
【 字体:
大
中
小
】
联系方法
|
网站地图
|
免责声明
|
隐私条款
互联网药品信息服务资格证书 (粤)—非谋划性—2021—0179
Copyright ? 人生就是博·(中国区)官方网站z6 粤ICP备11086523号 手艺支持:人生就是博·(中国区)官方网站z6智能与数字化中心
返回到首页
回到顶部
网站地图